К.т.н. Савицький Ю.В.,
Безбородова О. І.
АНАЛІТИЧНА
МОДЕЛЬ ПРОЦЕСУ ЗАПОВНЕННЯ ГАЗИФІКОВАНОЇ ЛИВАРНОЇ ФОРМИ МЕТАЛОМ
Сучасні підходи до заготівельного
виробництва полягають в максимальному наближенні форми і розмірів заготовок до
готової деталі, що суттево здешевлює кінцеву деталь. Одним з методів точного
литва є литво в газифіковані моделі, або піномоделі.
Технологічний процес виготовлення
відливок по газифікованих моделях полягає в наступному. У спеціальних металевих
прес-формах механічною обробкою виготовляють моделі деталей і системи літників,
використовуючи суспензійний полістирол у вигляді передспінених гранул або нормалізованих
пінополистиролових блоків і плит. Моделі сполучають склеюванням або зваркою з
елементами системи літника, після чого їх один раз забарвлюють фарбою або
суспензією з пов'язуючого розчину і пилоподібного вогнетривкого матеріалу, які
наносять зануренням, кистю або розпилюванням з фарборозпилювача в спеціальних
камерах. Освічений шар сушать на повітрі і отримують таким чином тонкостінну,
вогнетривку, газопроникну оболонку завтовшки до 2 мм, яка міцно пов'язана з пінополистироловою
моделлю. Після цього її встановлюють в спеціальну опоку-контейнер і рівномірно,
обережно, щоб не деформувалася модель, засипають зернистим вогнетривким
наповнювачем. Як наповнювачі
використовують кварцеві, оливинові, цирконові піски, шамот, магнезит,
електрокорунд. В деяких випадках при виготовленні масивних відливок використовують
звичайні формувальні суміші,такі як піщано-глинисті, піщано-цементні і ін.
Після виготовлення форм їх заливають рідким металом, пінополистиролова модель
при цьому газифікується під дією теплоти, звільняючи порожнину форми. Після
формування відливки спока-контейнер перевертається. Формувальний матеріал висипається,
відливка витягується і
поступає на фінішні операції — обрубування, обробку, очищення і контроль.
Аналізуючи етапи розвитку процесу литва по газифікованих моделях, можна
відзначити, що цей процес розвивається в двох самостійних напрямах.
Перший напрям пов'язаний з
виготовленням крупних, масивних відливок в умовах дослідного і дрібносерійного
виробництва по моделях, що отримуються механічною обробкою пінополистиролових
плит і блоків і при необхідності склеюванням.
Другий напрям пов'язаний з
виготовленням складних відливок масою до 15 кг. з підвищеною точністю розмірів
в умовах великосерійного і масового виробництва по моделях, що отримуються з
суспензійного полістиролу, що пройшов спеціальну термічну обробку
(передспінювання) і остаточно вспіненного в прес-формах до повного оформлення
конфігурації моделей відливок.
В даний час успішно розвиваються обидва напрями
литва по газифікованих моделях, що багато в чому сприяє технічному прогресу
різних галузей машинобудування [2].
Відома робота, у якій пропонується поліпшувати
якість і довговічність виливків, виконаних з чавуну із застосуванням
спеціальних фарб [3,c 293-298].
Недоліком даного способу є те, що застосування телурових фарб без запобіжних заходів може супроводжуватися значним механічним пригаром
формувальних сумішей до виливки в місцях фарбування форм і стрижнів. Для усунення пригару потрібно
застосовувати протипригарну фарбу, що попередньо наноситься на місця форми, які
підлягають покриттю телуровою фарбою. Має місце
складність регулювання концентрації телуру в залежності від конкретних технологічних особливостей, оскільки при високій температурі заливання
і великій кількості карбідоутворюючих елементів у хімічному складі чавуну вміст
телуру у фарбі потрібно зменшувати і навпаки, при низькій температурі заливання металу у форму і малій кількості
карбідоутворюючих кількість телуру у фарбі повинна збільшуватись.
Відомий також спосіб
покращення газопроникності вибивальності,
піддатливості форм, згідно якого в форму вводять подрібнені відходи
пінополістеролу [1].
Недоліком данного способу є те, що
при сушінні форм або при заливці сирих форм пінополістерол дестригує з
утворенням значної кількості газів, які виділяються в атмосферу ливарного цеху.
При введенні пінополістеролу в суміш більше 25% знижується ущільнюваність
суміші, погіршується чистота поверхні
форм і стрижнів.
Відомо також виготовлення газифікованих моделей для
литих заготовок ріжучого інструменту . При цьому з легованого пінополістиролу виконаний лише елемент моделі, що
формує ріжучу частину литої заготівки [1].
Недоліком даного способу є технологічна складність виготовлення моделі з відмінними за складом
частинами, внаслідок необхідності наявності в прес-формі контейнера, що не
витягається і відокремлює обсяг робочої порожнини, що формує легований
елемент моделі, від іншої частини моделі з нелегованого спіненого
полістиролу.
Відомий спосіб виготовлення моделей з полістиролу, що
включає подачу в порожнину прес-форми спінених гранул полістиролу одночасно з
легуючими або модифікуючими домішками і остаточне спікання гранул полістиролу
разом з домішками [4].
Однак, в процесі задування гранул і домішок змінюється
величина розрідження, яка діє на домішки з боку потоку полістиролу. На початку
операції задуву величина розрідження максимальна внаслідок найменшого опору
створюваного стінками прес-форми потоку повітря з гранулами і домішками.
Поступово об'єм прес-форми заповнюється,
зростає опір і розрідження поступово падає. Внаслідок цього домішки в
об'ємі прес-форми розміщуються нерівномірно.
Одним з найкращих спосіб виготовлення моделей з полістиролу
є спосіб, в якому легуючі або модифікуючі домішки наносять на гранули
спіненого полістиролу перед спіканням їх в прес-формі [5]. Недоліком цього
способу є використання досить дорогого зв'язуючого матерніалу.
В основу поставлено задачу створити спосіб виготовлення
моделей, що газифікуються, в яких модифікуючі або легуючі домішки наносяться
на підспінені гранули за допомогою зв'язуючого, отриманого з розчинених
відходів пінополістиролу.
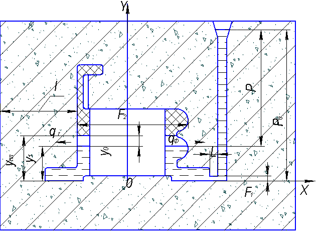
Теоретичний аналіз процесу заповнення форми з газифікованою моделлю. Розглянемо процес заповнення
форми (рис. 1) при замкнутій системі литника [5].
Рис.1. Процес заповнення форми
I. Для аналізу поставленого завдання приймемо
наступні позначення:
— час, с;
Ро — початковий натиск металу в стояку,
кг/м2;
Рг — тиск
парогазовой суміші продуктів розкладання моделі в порожнині форми, кг/м2;
Ртр — втрати натиску на тертя металу
в каналах системи литника, кг/м2;
Ратм — атмосферний тиск, кг/м2; Ратм = 1000 кг/м2;
уо
— зазор між фронтом плавлення моделі і дзеркалом
металу, м;
у1
— координата положення рівня металу у формі, м;
упл
— координата фронту плавлення
моделі, м;
l
— товщина стінки форми,
м;
L
— длина живильника, м;
dF1 — гідравлічний радіус
живильника, м;
П
— периметр
перетину відливки в
напрямку, перпендикулярному руху
металу, м;
dF —
гідравлічний радіус порожнини форми, м;
F1
— площа перетину
живильника, м2;
F2 — площа перетину відливка в напрямі, перпендикулярному руху
металу, м2;
Fст — площа перетину стояка, м2;
мет — питома вага рідкого металу, Н/м3;
мет — масова
щільність рідкого металу,
Н2/м4;
мод — питома вага матеріалу
моделі, Н/м3;
" — питома вага
парогазовой суміші, Н/м3;
т1 —
маса металу в системі літника, Н2/м;
m2 — маса металу
у формі, Н2/м;
mпр —
приведена маса рухомого
металу, Н2/м;
mпит —
маса металу в живильнику, Н2/м;
Gпг — маса парогазовой суміші в
об'ємі порожнини форми, кг;
Т —
температура парогазовой суміші в порожнині форми, К;
R — газова
постійна парогазовой суміші;
vмет —
швидкість металу в порожнині форми, м/с;
v1 — швидкість
металу в живильнику, м/с;
vмод—
швидкість плавлення моделі, м/с;
mг —
питома швидкість випаровування і газифікації рідкої фази продуктів розкладания
моделі, 1/с;
Кг — газопроникність формувальної суміші, м4/Н;
q0—
витрата металу через отвір в чаші літника, кг/с;
qг —
швидкість утворення парогазовой суміші в порожнині форми, кг/с;
qф —
швидкість видалення парогазовой суміші з порожнини форми, кг/с;
—
коефіцієнт опору тертя металу об стінки каналів літника системи;
g —
прискорення сили тяжіння, м/с2.
II. Основні умови і допущення.
1.Ро — const; при t =
0; Pн = Ро .
2.Потік
парогазової суміші з порожнини форми приймається однонаправленим (по координаті
X), таким, що підкоряється закону сталої фільтрації. Тоді витрата парогазової
суміші з порожнини форми через зазор складе:
(1)
|
3. Процес розширення парогазовой суміші в порожнині форми діабатичний. III. Отримуємо слідуючі співвідношення:
|
Швидкість утворення парогазовой суміші в порожнині
форми, кг/с:
(3)
Втрати натиску на тертя
металу в каналах системи літника, кг/м2:
(4)
(5)
Маса
металу в системі літника, Н2/м:
; (6)
Приведена
маса рухомого металу,
Н2/м:
(7)
Координата фронту плавлення
моделі, м;
(8)
IV.
Основні рівняння для випадку замкнутої системи літника: рівняння руху металу:
(9)
- рівняння балансу газу:
;
; (10)
-
рівняння адіабати:
; (11)
Показник ступеня
адіабати:
(12)
Рівняння плавлення моделі:
.
(13)
V.
Перетворення основних рівнянь.
Введемо
додаткові позначення:
(14)
де 1000 — атмосферний тиск, кг/м2.
Система рівнянь, які описують рух металу в формі:
(15)


Вирішення виведених систем рівнянь процесу
заповнення форми представлені на рис.2.
Рис.2. а)в
залежності від газопроникності форми (1-120; 2-240; 3-460 од.);
б)в
залежності від масової швидкості заливки (1-740; 2-560; 3-375 г/с)
Аналіз отриманих рішень (рис.2, а,б) показує , що рух металу має характер
аперіодичних коливань. Швидкість металу в формі максимальна в початковий момент
поступання металу в форму і убуває по мірі її заповнення. Тиск парогазової
суміші в початковий момент часу перевершує напір рідкого металу в стояку , що
свідчить про можливість викиду металу з чаші.
При цьому тиск в порожнині форми мало змінюється зі збільшенням
газопроникності форми, що пояснюється порівняно невеликим зазором між фронтом
плавлення моделі і зеркалом металу. Однак зі збільшенням газопроникності
внаслідок зменшення протитиску, збільшується швидкість металу в порожнині форми і пройдений ним шлях.
Висновок:
Головна особливість процесу литва по газифікованих моделях — застосування
невитягуваної перед заливкою металу моделі — визначає основні його переваги:
-підвищується точність відливок завдяки нероз'ємній формі, відсутності
операції витягання моделі, зсуву півформ і стрижнів при збиранні, що дозволяє
зменшити припуски на механічну обробку;
-можна виготовляти відливки складної конфігурації без застосування стрижнів
, оскільки формування здійснюється по «чистій» моделі;
-спрощується процес виготовлення ливарної форми, відпадає необхідність застосування
відокремлених частин , стрижнів, а при
використанні сухих наповнювачів і феромагнітних матеріалів формування і вибивка
форм після заливки суттєво спрощуються;
-знижується трудомісткість обрубування і очищення відливок і як наслідок відсутність заток і задирок, що з'являються на відливках після роз'єму форми ;
-розширюються можливості автоматизації і механізації процесів виготовлення
відливок.
У поєднанні з хорошою оброблюваністю вживаного для виготовлення моделей
пінополістиролу ці переваги способу дозволяють різко скоротити цикл підготовки
виробництва, знизити трудомісткість виготовлення відливок . Тому спосіб литва по
газифікованих моделях почав швидко впроваджуватися у виробництво відливок для
машинобудування.
У статті описана математична модель процесу заповнення форми з
газифікованою моделлю металом. Зроблений такий висновок: при заповненні форми з
газифікованою моделлю через закриті літникові системи, створюються умови для
виникнення коливальнлго руху металу і пульсації тиску в порожнині форми. Все це
може призвести до викиду металу з чаші в початкові моменти заповнення та
дефекту відливок. Виникнення коливань металу в формі пов’язано з перехідними
процесами заповнення форми та літникової системи.
Література:
1. Кирпиченков
В.П. Технологический процесс литья по газифицируемым моделям. - М.: НИИМаш,
1971. – 356с.
2. Озеров В.А,
Гаранин В.Ф. Литье повышенной точности по разовым моделям: Учеб. Пособие для СПТУ. – М.: Высш.шк.,
1988. – 87с.
3. С.Е.
Уткин Взаимодействие литейной формы и отливки. М., Издательство АН СССР, 1962г., 320с.
4. Шинський О. Й., Вишнякова Л.П., Плотнікова
В.Н. Спосіб виготовлення моделей з пінополістеролу . Патент України №244.
5. Ю.А. Степанов , Д.С. Гришин, В.П.
Кирпиченков, В.А Павлов, В.С Шуляк; Литье по газифицируемым моделям. М.,
«Машиностроение», 1976г.,224 с.
Авторська картка
1.
П.І.Б.: Савицький Юрій Віталійович
2.
Рік народження: 08.03.1973
3.
Місце роботи: Хмельницький національний університет, 29016
м. Хмельницький; Інститутська 11,
р. т. 72-89-44
4.
Посада: доцент кафедри технології машинобудування.
5.
Вчене звання: доцент.
6.
Науковий ступінь: к.т.н.
7.
Адреса: 29027, м. Хмельницький, вул. Панаса Мирного 32, кв. 56,
т.77-26-90
8. Поштова скринька : yra.savisky@gmail.com
Авторська картка
1. П.І.Б.: Безбородова Оксана
Ігорівна
2.Рік народження:
17.07.1987
3. Місце роботи:
Хмельницький національний університет, 29016
м. Хмельницький; Інститутська 11,
р. т. 72-89-44
4.Посада: студент.
5.Вчене звання: -
6.Науковий ступінь: -
7.Адреса: 29000, м. Волочиськ, вул.
Слави 5, кв.6