Джанузакова
Р.Д.
Таразский
Государственный Университет им.М.Х.Дулати
Применение метода обратного рассеяния при измерении потерь в оптическом кабеле
Все методы измерения затухания
в оптических волокнах делятся на две группы: методы светопропускания и методы
обратного рассеяния. Измеряют коэффициент затухания оптического кабеля,
затухание строительных длин, затухание смонтированного участка регенерации,
затухание разъемных и сварных соединений ОВ.
Если кабель уложен в траншее,
т.е. оба его конца разнесены, то измерение по методу двух точек усложняется,
так как его должны проводить два оператора у концов кабеля. При этом
необходимо, чтобы измерители мощности, разнесенные по концам кабеля, имели бы
идентичные параметры. В подобных случаях более удобными являются методы,
обеспечивающие измерение при одностороннем доступе.
В основе метода обратного рассеяния
лежит явление обратного рэлеевского рассеяния. При реализации этого
метода измеряемое волокно зондируют оптическими импульсами, вводимыми в ОВ
через оптический направленный ответвитель. Из-за флюктуаций показателя
преломления сердцевины вдоль волокна, отражений от рассеянных и локальных
неоднородностей, распределенных по всей длине волокна, возникает обратный поток
энергии. Мощность этого потока, измеренная в точке ввода оптических зондирующих
импульсов в волокно с некоторой задержкой t относительно момента посылки
зондирующего импульса, пропорциональна мощности обратного потока энергии в
точке кабеля, расположенной на расстоянии
lx = tv / 2
от места измерения, где v — групповая скорость
распространения оптического импульса. Соответственно, при измерении с конца
кабеля зависимости мощности обратного потока энергии от времени определяется
распределением мощности обратно рассеянного оптического сигнала вдоль кабеля —
характеристика обратного рассеяния волокна. По этой характеристике можно
определить функцию затухания по длине с конца кабеля, фиксировать
местоположение и характер неоднородностей. Как правило, регистрируют отдельные
реализации характеристики обратного рассеяния, а затем их усредняют во времени
и уже усредненные значения выводят на устройство отображения.
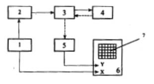
Упрощенная структурная
схема измерения затухания методом обратного рассеяния приведена на рис.1.

Рис. 1 -
Структурная схема измерения затухания ОВ методом обратного рассеяния
Зондирующие
импульсы поступают от источника излучения 2 через направленный ответвитель 3 в
оптическое волокно 4. Поток обратного рассеяния регистрируется в чувствительном
фотоприемном устройстве 5 и преобразуется в электрический сигнал, который после
специальной обработки в блоке б подается на вход устройства отображения 7. При
использовании в качестве устройства отображения электронного осциллографа этот
сигнал вызывает соответствующее отклонение луча по оси У на экране.
Вертикальная ось экрана градуируется в децибелах по мощности (дБм). Отклонение
луча по горизонтальной оси Х происходит под действием пилообразного напряжения
генератора развертки осциллографа.
Вследствие
этого положение луча по оси Х изменяется в
зависимости от времени запаздывания сигнала t. Зная групповое время запаздывания оптического сигнала в
сердцевине ОВ, можно осуществить градуировку горизонтальной оси в единицах
длины для измеряемого типа ОВ. Блок управления 1 обеспечивает согласованную
работу лазера и электронного осциллографа. В результате генератор развертки,
запускаемый тем же импульсом, что и леер, создает возможность наблюдения потока
обратного рассеяния или полностью, или по частям. Блок управления осуществляет
регистрацию и занесение в память реализации временных характеристик мощности
обратного рассеяния и их усреднения.
Рефлектограмма
на экране осциллографа строится по усредненной временной характеристике. Кроме
того, указанный блок управляет работой рефлектометра по заданной программе,
обрабатывает данные, а также выполняет ряд сервисных функций. Как правило,
типичный комплект оптического рефлектометра включает базовый блок и набор
сменных блоков, каждый из которых работает на определенных длинах волн (0,85
мкм; 1,3 мкм; 1,55 мкм) и имеет свои характеристики.
Рассмотрим
принцип измерения коэффициента затухания ОВ по характеристикам обратного
рассеяния. Согласно рис.1. на линейном монотонном
участке характеристики волокна выделяют две точки, в которых измеряют уровни
мощности обратного потока энергии p1 и
р2. Расстояния от начала линии
до этих точек l1 и l2. Коэффициент затухания
определяется по формуле:
α = (р1-
р2) ( l2 – l1)
Принцип
измерения собственного затухания определенной длины ОВ на участке между
интересующими точками оптической линии тот же, что и для измерения коэффициента
затухания. Но значение собственного затухания определяетс из
выражения:
αl = р1- р2
В
режиме измерения затухания все операции, за исключением операции размещения
двух маркеров, производятся автоматически и значение затухания оптической линии
на участке между маркерами выводится на отображающее устройство.

Рис.
2
– Размещение маркеров при измерении коэффициента затухания ОВ методом обратного
рассеяния
Изменение
модового состава оптического излучения и отражения в месте соединения приводят
к искажениям рефлектограммы в некоторой зоне вблизи места соединения.
Протяженность этой зоны достаточно велика (100...200 м), поэтому оценки
затухания стыка, полученные непосредственно как разность результатов измерения
обратно рассеянной мощности до и после стыка, имеют большую погрешность,
которая может достигать 100% и более.
Участки
характеристики обратного рассеяния ОВ в строительных длинах до и после стыка
аппроксимируются известной зависимостью, например линейной зависимостью,
полиномами и т. п. Затем путем экстраполяции в первом случае вперед, а во
втором случае назад, оценивают уровни мощности обратного потока энергии в ОВ в
конце первой (р1) и начале
второй (р2) сращиваемых
строительных длин, т. е. в месте стыка. Затухание на стыке оценивают как
разность:
ac =p1
– p2
Как правило, рефлектометром
автоматически измеряется затухание соединения ОВ.
Метод обратного рассеяния
требует применения специальных дорогостоящих средств измерения оптических рефлектометров.