Строительство
и архитектура /4. Современные строительные материалы
Мирюк О.А., д.т.н., Акмалова О.А.
Рудненский индустриальный институт,
Казахстан
Теплоизоляционные
гранулы из техногенного сырья
Низкообжиговые щелочесиликатные композиции – эффективный теплоизоляционный
материал с жесткой ячеистой структурой, изготовленный по технологии пеностекла
с использованием жидкого стекла. Поризация
композиций осуществляется термическим способом благодаря наличию гидроксильных
групп жидкого стекла. В качестве наполнителя щелочесиликатных
композиций используют
кремнеземсодержащие техногенные материалы [1 – 3].
Цель
работы – определение технико-экономической эффективности гранулированного
материала на основе щелочесиликатных композиций.
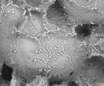
Гранулы
синтезированы из сырьевой композиции, содержащей жидкое стекло и техногенные
наполнители. Высокопористая
структура гранул обеспечивается методом комплексной поризации
(рисунок 1). Техногенные компоненты, содержащие газообразующие вещества,
обеспечивают образование дополнительных пор в стекломассе.
Рисунок 1 – Структура щелочесиликатных гранул
Для оценки эффективности синтезированных гранул
выполнены сравнения с известными гранулированным материалом. При различии
состава сырьевых материалов сопоставлены только материальные затраты
производства пористых
заполнителей (таблицы 1 и 2).
Таблица 1 – Материальные
затраты на производство щелочесиликатных гранул с
насыпной плотностью 200 кг/м3
|
Показатели |
Цена за единицу, тенге |
Разработанный состав |
Контрольный состав |
||
|
расход |
сумма затрат, тенге |
расход |
сумма затрат, тенге |
||
|
Сырьевые компоненты, на
1 м3: |
|
||||
|
– бой стекла, кг |
6,6 |
115,0 |
759,0 |
192,0 |
1267,2 |
|
– отходы обогащения скарново-магнетитовых
руд, кг |
0,77 |
46,0 |
35,42 |
– |
– |
|
– вскрышная порода, кг |
2,2 |
29,9 |
65,78 |
– |
– |
|
– сухой концентрат жидкого стекла, кг |
148,5 |
18,4 |
2732,4 |
26,4 |
3920,4 |
|
– вода, л |
0,15 |
20,7 |
3,11 |
21,6 |
3,24 |
|
Итого |
|
3595,71 |
|
5190,84 |
|
|
Расход энергоресурсов для обжига 1 м3: |
|
||||
|
– газ природный |
24,0 |
32,4 |
777,6 |
34,6 |
830,4 |
|
Всего |
|
4373,31 |
|
6021,24 |
|
Для сравнения принят состав сырьевой смеси на
основе стеклобоя, обеспечивающий получение
гранулированного пеностекла с насыпной плотностью 200 кг/м3.
Щелочесиликатные гранулы получают с использованием
отходов добычи (вскрышная опока) и
обогащения скарново-магнетитовых руд. Это дает экономию затрат 1647,93 тенге/м3, в том числе по сырьевой массе
1595,13 тенге, экономия по топливу 52,8 тенге.
Аналогичное сравнение
материальных затрат выполнено для получения керамзита. Материальные затраты на
производство керамзита на 1113,25 тенге ниже, чем на изготовление щелочесиликатных гранул. Сравниваемые пористые материалы
имеют разные показатели по плотности и теплопроводности (таблица 3).
Таблица 2 – Материальные
затраты на производство пористых заполнителей
|
Показатели |
Цена за единицу тенге |
Разработанный состав (насыпная плотность 200 кг/м3) |
Керамзит (насыпная плотность 400 кг/м3) |
||
|
расход |
сумма затрат, тенге |
расход |
сумма затрат, тенге |
||
|
Сырьевые компоненты, на 1 м3: |
|
||||
|
– глина керамзитовая, кг |
3,85 |
– |
– |
365,50 |
1407,18 |
|
– бой стекла, кг |
6,60 |
115,0 |
759,00 |
– |
– |
|
– отходы обогащения скарново-магнетитовых
руд, кг |
0,77 |
46,0 |
35,42 |
– |
– |
|
– вскрышная порода , кг |
2,20 |
29,90 |
65,78 |
– |
– |
|
– сухой концентрат жидкого стекла, кг |
148,50 |
18,40 |
2732,40 |
– |
– |
|
– вода, л |
0,15 |
20,70 |
3,11 |
64,50 |
9,68 |
|
Итого |
|
3595,71 |
|
1416,86 |
|
|
Расход энергоресурсов для обжига 1 м3: |
|
||||
|
– газ природный |
24,00 |
32,40 |
777,60 |
76,80 |
1843,20 |
|
Всего |
|
4373,31 |
|
3260,06 |
|
Таблица 3 – Сравнительная характеристика
гранулированных материалов
|
Характеристики материалов |
Керамзит
|
Щелочесиликатные
гранулы |
|
|
Разработанный состав |
Контрольный состав |
||
|
Насыпная плотность, кг/м3 |
400 |
200 |
200 |
|
Коэффициент теплопроводности,
Вт/(м∙0С) |
0,11 |
0,06 |
0,07 |
Экономический эффект может быть получен при
использовании щелочесиликатных гранул за счет высоких
теплотехнических свойств нового материала (таблица 4).
Таблица 4 – Затраты на изготовление 1м3 гранулированного материала, тенге
|
Показатели |
Керамзит |
Разработанный
состав |
Щелочесиликатные
гранулы |
|
|
разработанный
состав |
контрольный состав |
|||
|
Материальные затраты |
3260,06 |
4373,31 |
4373,31 |
9544,93 |
|
Материальные затраты с
учетом соотношения коэффициентов
теплопроводности |
3260,06 |
2387,83 |
3747,93 |
6021,24 |
Вывод. Для соответствия нормативному (СНиП
23 – 02 – 2003) термическому сопротивлению стен жилых домов 3,279 (м2∙°С)/Вт толщина теплоизоляционного слоя стенового ограждения из щелочесиликатных гранул составит 19,7 см; контрольного состава – 23,0 см;
керамзита – 36,1 см.
При
использовании разработанных щелочесиликатных гранул в
качестве утеплителя достигается экономия материальных затрат 2273,28 тенге/м3.
Экономический
эффект за счет улучшения теплотехнических характеристик щелочесиликатных
гранул
Литература:
1 Пучка
О.В., Вайсер С.С. Влияние параметров пенообразующей
смеси на морфологию теплоизоляционного пеностекла // Техника и технология силикатов.
– 2015. – № 1. – С. 12 – 15.
2 Жакипбаев
Б. Е., Спиридонов Ю. А., Сигаев В. Н. Использование горных пород для получения
пеностекла //Стекло и керамика. – 2013. – №4. – С. 47 – 50.
3 Мирюк О.А. Влияние
вещественного состава сырьевой массы на структуру пеностекломатериала
// Современное строительство и архитектура. – 2016. – №3. – С. 13 – 18.