Технические
науки/6.Электротехника и радиоэлектроника.
К.т.н.
Игольников Ю.С., аспирант Широков И.В.
Мордовский государственный университет им.
Н.П. Огарёва, Россия
Трёхфазные выпрямители с промежуточным
преобразованием частоты на однофазном
магнитопроводе
Основной тенденцией при разработке устройств преобразовательной техники является уменьшение массо-габаритных показателей. Известно, что одним из способов их уменьшения является повышение частоты трансформатора. Однако с повышением частоты увеличиваются потери на переключения, а при большой мощности увеличивается вероятность насыщения магнитопровода силового трансформатора (поэтому мощность высокочастотных преобразователей ограничена).
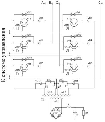
Разработана схема выпрямителя с промежуточным преобразованием частоты на однофазном магнитопроводе [1], которая показана на рисунке 1а.

а) б)
Рисунок 1 – а) схема выпрямителя с промежуточным
преобразованием частоты; б) векторная диаграмма
Силовая схема преобразователя состоит из трёхфазного моста на полностью управляемых ключах VT1-VT6, плечи которого подключены к силовому трансформатору T1. Общий вывод обмоток w1.1, w1.2 подключен к нулевому проводу сети. Вторичная обмотка w2 подключена к диодному мосту VD15, выход которого подключен через фильтр L1 C3 к нагрузке R3.
Работа схемы осуществляется следующим образом. Предположим, что в начальный момент открылся транзистор VT1, тогда ток потечёт по пути: фаза А, транзистор VT1, первичная обмотка w1.1 трансформатора T1 и нулевой вывод. Затем, в соответствии с векторной диаграммой рисунка 1б, транзистор VT1 запирается, а VT6 открывается. Ток начинает протекать по пути: от нулевого провода, через транзистор VT6, обмотку w1.2, в фазу С. Далее по аналогии закрывается VT6, открывается VT3, и ток опять течёт через обмотку w1.1.
Заметим, что когда открыт транзистор VT1, ток втекает в начало обмотки (зажим отмечен точкой), а когда проводит транзистор VT6, ток втекает в конец обмотки (зажим не отмечен точкой). То есть, сначала магнитный поток в сердечнике направлен в одну сторону, а после включения транзистора VT6 меняет своё направление на противоположное, а значит магнитопровод трансформатора перемагничивается по полной петле гистерезиса.
Так как поток в магнитопроводе меняет своё направление 6 раз за период сетевого напряжения, то на вторичной обмотке формируется переменное напряжение с утроенной частотой (150 Гц). Таким образом, происходит непосредственное преобразование частоты трёхфазного напряжения без звена постоянного тока на однофазном магнитопроводе.
Так как частота преобразования в три раза больше частоты сети, то массо-габаритные показатели трансформатора будут ниже, чем у работающих на частоте сети. Также массо-габаритные показатели снижены за счёт применения однофазного трёхобмоточного трансформатора, вместо трёхфазного шестиобмоточного.
На основании теоретических данных был разработан экспериментальный образец выпрямителя с промежуточным преобразованием частоты по схеме рисунка 1а. В качестве силовых вентилей VT1-VT6 были применены IGBT-транзисторы, система управления которыми выполнена на базе микроконтроллера ATmega8 [2].
На рисунке 2 приведены основные осциллограммы напряжений, снятые с макетного образца. На рисунке 2 а,б – изображены напряжения на вторичной и первичной обмотках трансформатора, из которых видно, что частота напряжения равна 150 Гц.


На осциллограмме рисунка 2в приведено напряжение, снятое с коллектор-эмиттера одного из силовых транзисторов. На осциллограмме видны выбросы напряжений при коммутациях транзисторов. Поэтому параллельно каждому транзистору включен защитный диод (VD7-VD12), который не позволяет выбросам напряжения превысить максимальное значение напряжения допустимое на коллектор-эмиттере.
На рисунке 2г показана осциллограмма выпрямленного и сглаженного (ёмкостным фильтром) напряжения на нагрузке.
Также была проанализирована зависимость коэффициента мощности cosφ от глубины регулирования Udα/Ud0, которая показана на рисунке 3.
cosφ


Рисунок 3 –
Зависимость коэффициента мощности от глубины рекгулирования
Проделанные опыты на экспериментальном образце полностью подтвердили теоретические
расчеты и результаты моделирования [3], выполненные авторами.
Литература:
1. Патент 2149495 RU, МПК 7Н02М7/12, 7Н02М7/21. Преобразователь трёхфазного переменного напряжения в постоянное / Игольников Ю. С., Нестеров С. А. – Опубл.: 20.05.2000. – Бюл. №14.
2. Игольников, Ю. С. Система управления выпрямителем с промежуточным преобразованием частоты на базе микроконтроллера ATMega8 / Ю. С. Игольников, И. В. Широков // Электроника и информационные технологии. – 2009. – Специальный выпуск (6). – http://www.fetmag.mrsu.ru/2009-2/pdf/Handling_rectifier.pdf
3. Игольников, Ю. С. Трёхфазные выпрямители на однофазном магнитопроводе / Ю. С. Игольников, И. В. Широков // Электротехника – М. – 2010. – №7 – С. 58–61.