К.т.н. Лапковський С.В., Гірник
Б.В., Пальченко О.О.
Національний технічний університет України
“Київський політехнічний інститут”, Україна
АВТОМАТИЗАЦІЯ ВИЗНАЧЕННЯ КОЕФІЦІЄНТУ ШОРСТКОСТІ ПРИ
КІЛЬКІСНОМУ ОЦІНЮВАННІ ТЕХНОЛОГІЧНОСТІ ДЕТАЛІ
Будь
який виріб повинен бути технологічно раціональним для заданих конкретних умов
підготовлення його виробництва, виготовлення, експлуатації та ремонту. На даний
момент ГОСТ 14.201-83 рекомендує
11 показників технологічності [1]. Для достатньо глибокого аналізу технологічності
конструкції виробу і для розробки на його основі засобів з її подальшого
вдосконалення абсолютні показники необхідні, але недостатні, до того ж, деякі з них можливо визначити тільки після остаточного
виготовлення виробу. Тому при технологічній підготовці виробництва доволі часто
використовуються допоміжні відносні показники технологічності. Одним з
важливих показників технологічності є такий додатковий технічний показник, як
коефіцієнт точності Kш, який визначається згідно із залежністю (1). Якщо Kш < 0,32,
то деталь вважається нетехнологічною.
|
|
|
(1) |
де Бс ¾
середній квалітет розмірів.
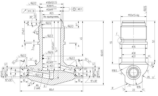
На теперішній час визначення Бс проводиться
вручну. На основі креслення деталі (рис. 1) складається таблиця технологічних
характеристик поверхонь деталі (табл. 1).

Рис. 1. Креслення деталі
Таблиця 1
Технологічні характеристики
поверхонь деталі
|
№ з/п |
Розмір поверхні, мм |
Квалітет точності, IT |
Параметр шорсткості, мкм |
Кількість поверхонь |
|
1 2 3 … 30 31 |
d30b12 d28h11 D26H9 … d30,8 2,5 |
12 11 9 … 14 14 |
6,3 3,2 1,6 … 6,3 6,3 |
1 1 1 … 1 1 |
Складання цієї таблиці є нескладною, але дуже кропіткою
працею, яка потребує великого зосередження і займає досить багато часу. Доволі
часто при визначенні Бс виникають помилки, що пов’язані, перш за
все, із «втратою» однієї або кількох поверхонь. Тому авторами запропоновано
автоматизувати процес визначення коефіцієнту точності Kш. Для цього авторами
був розроблений алгоритм автоматизованого
процесу визначення
коефіцієнту точності Kш, блок-схему якого
наведено на рис. 2.

Рис. 2. Блок-схема
алгоритму
У даний момент запропонований алгоритм
використовується авторами для розробки системи кількісного оцінювання
технологічності. Використання цієї системи дозволить зменшити вірогідність
виникнення помилки і підвищити ступінь обґрунтованості при прийнятті рішень при
проектуванні. Дана система може бути використана як одна із підсистем CAPP-системи.
Література:
1. ГОСТ
14.201-83.
Обеспечение технологичности конструкции изделий. Общие требования.