NAGRODZKA-GODYCKA Krystyna, SZULWIC Jakub,
ZIÓŁKOWSKI Patryk
Gdansk University of Technology / Гдaньский
Политехнический Университет
Narutowicza 11/12, PL-80-233 Gdańsk, Poland,
e-mail geodesy@geo.edu.pl
ИССЛЕДОВАНИЕ Дистанционного зондирования ЖЕЛЕЗОБЕТОННЫх
структурных элементов с помощью наземного лазерного сканирования
Современная
технология наземного лазерного сканирования (TLS) с помощью геодезических
сканеров с диапазоном более 50 метров, способная измерять геометрию структурных
элементов с точностью, близкой к 1 мм. Авторы, на основании лабораторных
испытаний и собственного опыта, представляют способ, который позваляет оценить,
первоначально, железобетонные балки как основной структурный элемент типа
наведения мостов, путепроводов,
коммерческих зданий. Предметом статьи является анализ возможности оценки
деформации и механизмов деградации
изгиба железобетонных балок с использованием наземного лазерного сканирования
подтвержден фотограмметрическими методами. В статье приведены примеры моделирования
изображений, полученных от наземного лазерного сканирования в доступных
программах, посвященных работе с облаком точек. Описаны возможности и
ограничения лазерной техники, а также определенные условия, в соответствии которых, эти техники могут быть использованы
в анализе железобетонных элементов. Приведены процедуры измерения, которые
могут быть использованы для определения механики разрушения балок и измерения
деформации.
1. ВВЕДЕНИЕ
Лазерное
сканирование с использованием наземных лазерных сканеров, сегодня работает как инструмент, используемый в геодезии, для получения изображения пространства в
системе координат XYZ. Характеристики сканирующих устойств, указуют, что можно достичь точность, которая
колебается между 2-5 мм предела ошибки,
это конечно ограничивает применение лазерного сканирования. Тем не менее, в
исследовании, проведенном обычным сканером Leica С10 и программным обеспечением
Cyclone и MeshLab, показали,
что возможно не только эффективное, но и экономически обоснованое использование
лазерного сканирования для изучения железобетонных структурных элементов. В
настоящее время лазерное сканирование, используется как технология в инжинерной
геодезии. В строительной отрасли это применияется в оценке состояния зданий и
измерения отклонения структурных элементов в том числе в залах и на перегонах
(мостов, виадуков). Авторы, исследовали, попытки связанные с нагрузкой моста в Гданьске, находящегося
у стадиона PGE Arena, указанным на
рисунке 1. Одной из технологий записи было лазернное сканирование сделано
идентичным сканером как устройство используемое в эксперименте, описаным ниже. Произведенный
анализ указывает полезность лазерного сканирования в точных анализах геометрии
и анализа сопротивления элементов / объектов, даже крупных объектов, таких как
мосты. В пределах экспериментов, в рамках своих исследований, рассматриваются
механизмы разрушения железобетонных элементов и возможности, которые влечет за
собой технология наземного лазерного сканирования в оценке деформации и определения
механических структурных повреждений конструкции [1-5]. Описаны возможности и
ограничения лазерной техники, а также указаны
определенные условия в соответствии которых лазерные техники могут быть
использованы в анализе железобетонных
элементов. Представлены практические методы и процедуры, которые могут быть
использованы для определения механики разрушения балок и измерения деформации.
В статье указывалось, некоторые из результатов анализов и отметено инструменты,
которых использование может быть
полезным при выполнении измерений и оценок, связанных с прочностью и
безопасностью железобетонных конструкций. Как модельные элементы были отобраны
железобетонные балки подготовлены в различных системах подкрепления. Измерение
и запись работы, было провевено в Региональной Лаборатории Строительства на Кафедре
инженерно железобетонных конструкций Департамента гражданской и экологической
инженерии, Политиехнического института в
Гданьске. Механизмы разрушения были принуждены через изгиб и сдвиг.
Данные, полученные в ходе испытаний были использованы для создания виртуальной
модели железобетонной балки, а затем для определения его деформации во времени. На основе анализа
расширено потенциальные плоскости использования наземнного сканирования при
измерении железобетонных
элементов.
2. ГЕОМЕТРИЯ и АРМИРОВАНИЕ
ИССЛЕДОВАННЫХ БАЛОК
Подготовлено
три балки из железобетона - Б1,
Б2, Б3 - разной степени армирования, т.е. для того, чтобы
заставить возникновение предопределено, различного для каждого механизма разрушения
балки [6]. Предполагалось, что две балки - Б1,
Б2 - будут уничтожены истощением
грузоподъемности изгиба, в свою очередь, по состоянии бетона и по состоянии
стали. Третья балка - Б3 - должна быть уничтожена истощением грузоподъемности
стены. Для того, чтобы получить ожидаемые результаты для балок Б1 и Б2,
использовано переменную степень
армирования в зоне изгиба. Затем в балке Б3, используется сильная арматура в зоне изгиба, в то время
недостаточное количество скоб, чтобы
заставить механизм разрушения через сдвиг. Для приготовления бетонных балок, употреблено
бетон класса C25/30 и арматурную сталь класса A-IIIN.
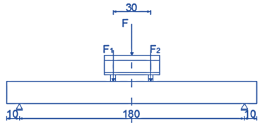
Схематическое изображение балки, показанного на рисунке 2, а способ применения
нагрузок на рис. 3 и 4.

Рис. 1. Схематическое поперечное сечение продольных и поперечных балок (нижний
рисунок) и статическая схема балки (верхний рисунок).

Рис. 2. Концептуальный рисунок со накладывающейся статической схемой балок Б1 и Б2.
После
бетонирования, балка остается в
неподвижном состоянии до момента достижения полной выносливости. Перед бетонированием
скелетных армировок, к каждой балке прикрепленно ряд электроплавильных тензодатчиков.
Тензодатчики соединены проводами, которые затем были введены таким образом, что
после заливки, возможно получить к ним полный
доступ. Эти кабели на более позднем этапе припаяны к печатным плитком , которые,
в свою очередь соединяют систему с
компьютером, имеющим специальное программное обеспечение для измерения
деформации стали. Такое решение также потверждает результаты, полученные из
дистанционных измерений (сканирование и фотограмметрии).

Рис. 3. Концептуальный рисунок со накладывающейся статической схемой балки
Б3.
Таблица 1
Увеличение силы в ходе исследования для балок Б1, Б2
и Б3 (Легенда: 140,7 – разрушительная сила /
50 – рисующая сила).
|
Символ |
Этап 1 [кН] |
Этап 2 [кН] |
Этап 3 [кН] |
Этап 4 [кН] |
Этап 5 [кН] |
Этап 6 [кН] |
Этап 7 [кН] |
Этап 8 [кН] |
|
Балка Б1 |
0 |
10 |
30 |
40 |
50 |
70 |
90 |
100 |
|
Балка Б2 |
0 |
10 |
20 |
30 |
37 |
38 |
|
|
|
Балка Б3 |
0 |
10 |
30 |
50 |
70 |
90 |
140,7 |
|
3. Методы анализа сканирования
В анализе использовано стандартную программу,
посвященную производителем для обработки данных от сканера Leica ScanStation C-10,
то есть. программное обеспечение Cyclone
и программы MeshLab, который принадлежит к программному обеспечению, типа
open-source, с учетом правил General Public License
(GPL). В
исследовании указано полезные инструменты, используемые в оценке и проверке
железобетонных элементов, а также при анализе фактических местных конструкции
или полуфабрикатов на месте их использования или создания.
3.1. Метод транслации
сфер
Этот
метод состоит в замене виртуального отображения физических тегов в виде
графических сферических объектов. В простейшем виде сводится к выбору
характерной точки, в нашем случае диска с диаметром 6 мм, который положен на
поверхности балки (или другого элемента, подвергнутого анализу). После
регистрации (путем сканирования и фоторегистрации) следует его отображение на
последующих этапах нагрузки балки, в
той же самой (общей для последующих этапов нагрузки) системе координат, в виде
полигональной сетки (изготовленной из примитивов), аппроксимирующей сферу.
Затем, следует передача этой сетки (сферы), к такой же самой системе координат
со следующими измерениями. Однако, прежде чем сфера будет перетрансформирована
на новую систему, следует иметь в виду, что в системе после изменения, таким же
образом, надо аппроксимировать сферу для перемещенного, в результате нагрузки
сил, элемента. Разница координации середины сфер для последующего движения сфер,
является вектором идентифицирующимся, как транслация сфер. Важно отметить, что
в этом методе как результат, не
получаем только вертикального
перемещения, по сравнению с традиционными методами измерения, но также можно
определить незначительные изменения и расположение тега в обоих горизонтальных направлениях. Способ
проиллюстрирован на примере изменений в геометрии балки Б3 на рис.5 и описан в
публикациях авторов [4, 5].

Рис. 4. Сигнализирующие точки, используемые в методе транслации сфер. Изображение
на скане, приобретенным в ходе эксперимента.
Таблица 2
Сравнительный анализ экспериментальных результатов
с результатами, полученными от лазерного сканирования (для иллюстрации были
выбранны только некоторые этапы –
периоды измерений).
|
Период измерений |
Сила [кН] |
Прогиб
[мм] |
Прогиб
измерительной модели [мм] |
Разница отклонения
[мм] |
Изображение в
пространстве
ModelSpace |
|
2 |
30 |
1,81 |
1,00 |
+0,81 |
|
|
5 |
90 |
5,89 |
6,00 |
-0,11 |
|
|
6 |
140,7 |
|
12 |
|
|
3.2. Мапирование цветов
– Color Mapping
После
первоначального отбора было решено использовать программу MeshLab
итальянской компании Visual Computing Lab.
Программа полностью бесплатна и может быть в будущем свободно модифицирована, а
также разработана самими пользователями. Двигатель программы основан на
библиотеке VCG (анг. Visualization and Computer Graphics).
Предсавлено и составлено выбранные инструменты правила Color Mapping,
которые были использованы в прогоамме MeshLab.
Кроме того, эти правила были выбраны, чтобы наиболее близко отражать реальную
картину разрушения балки.
Таблица 3
Ход разрушения балки Б3 в программе MeshLab – правило: Red-White-Blue Scale
|
Название правила |
Описание правила |
||
|
Red-White-Blue
Scale |
|
||
|
Номер измерения |
Изображение |
||
|
6 |
|
||
|
ОПИСАНИЕ |
Узкий
диапазон цветов, сильный контраст, очень хорошее изображение основной трещины
и характерных точек, хорошая видимость незначительных трещин. |
||
Таблица 4
Ход разрушения балки Б3 в программе MeshLab – правило: SawTooth Gray 8.
|
Название правила |
Описание правила |
|||
|
SawTooth Gray 8 |
|
|||
|
Номер измерения |
Изображение |
|||
|
6 |
|
|||
|
ОПИСАНИЕ |
Один
доминирующий цвет, очень сильный контраст, очень хорошее изображение
основной трещины и характерных точек, незначительные трещины хорошо заметные. |
|||
Анализ
был проведен для того, чтобы найти оптимальное правило, для определения
фактического состояния трещин.
Собранные данные поступают из исследования балки Б3, котоая была разрушена
сдвигом. Данные, содержащие геометрию балки Б3, были экспортируемые из
программы Leica Cyclone в формате файла .PTX,
а затем импортировались в программу MeshLab. Ниже перечислены
несколько правил, которые были выбраны для того, чтобы указать
возможно наилучший образ состояния терещин.
4. ВЫВОДЫ
Основной
целью данного исследования было определение, позволяет ли лазерное
сканирование на оценку деформации и прогнозирование механизмов разрушения согнутой железобетонной балки.
Идею, что способ наземного лазерного сканирования дает оценку механизма
прогнозирования деформации и разрушения, можно рассматривать как истинную,
однако при определенныхзараных условиях. Вы должны обратить особое внимание на условия и ограничения технологии лазерного сканирования в данном типе
анализа. Определение этих условиях позволило, не только подтвердить этот тезис,
но и определить зону возможных применений для наземного лазерного сканирования
в диагностике железобетонных элементов.
Сканируемой
объект и сканер должны быть в той же системе координат, что исследуемое
элементы, например трещины, это элементы в микро шкале, недопустимо использовать символических ссылок
на локализирующие сигналы. Символические ссылки на локализирующие сигналы сами по себе создают микро-перемещения, которые при
измерении в макро шкале, не имеют отношения, а в определении деформации и курсе
терещины являются существенными. Таким образом, положение сканера по отношению
к объекту, не может изменяться в течение процесса измерений. Перемещение в ходе
испытания выровненного устройства, будет причигой необходимого повторения испытания.
Из-за волновой природы света, который является средством, с помощью которого мы
получаем данные, мы должны необходимо
обеспечить четкое поле зрения. Вы должны удалить все препятствия между объектом
а сканером. Белый цвет лучше отражает
свет, и обеспечивает лучший контраст между боковой поверхностью балки и
полученной терещиной. Поэтому рекомендуется покрытие биалком поверхности
сканированного элемента перед началом исследования. Дополнительно, для анализа
геометрии, надо определить графически ориентиры или разместиь их на поверхности сканируемого объекта. Для
анализа авторы использовали металлические диски с диаметром 6 мм, равномерно
размнещены в десять-сантиметровых интервалах, на боковой плоскости балки. Это
очень важно для достижения максимальнального количества точек плотности облака.
Плотность облака точек, зависит от разрешения сканирования, которого мы
ставим во время конфигурации сканера перед началом измерений.
После
тщательного анализа на основе собранного материала, было установлено, что повреждения,
которые ясно указывали бы на существование конкретной механики разрушения,
можно увидеть только в предкритической стадии, то есть непосредственно перед
разрушением. Таким образом, сканирование является идеальным инструментом для
архивирования состояния терещин в предкритической и послекритической фазах, который позволяет определить их точный ход, в том числе их длину и
наклон. Используя наземное лазерное сканирование при создании документации
после стихийных бедствий и несчастных случаев, мы сможем получить полностью
в трехмерном образе, подробное
отображение конструкции. Лазерное сканирование как метод очень быстрый, может
быть особенно важен, если поврежденную конструкциу мы должны удалить быстро,
или взять немедленный ремонт аварии.
Интересные приложения лазерной плоскости, мы можем найти в контроле качества предварительной
сборки. Так как конструктивных элементов предварительных сборок, так и архитектурных элементов предварительных
сборок. В работах авторов исследования показали, что, анализируя гистограммы
цветов можно точно определить момент разрушения или повреждения балки.
Возможность анализировать распределение цвета с текстуры, позволяет также на точное определение полученного цвета
элемента, а также количество, характеристику и местоположение потенциальных
дефектов или повреждений.
Наземное
лазерное сканирование является хорошим инструментом для анализа деформации
железобетонных элементов, его преимуществом по сравнению с обычными
механическими методами измерения
элементов, является сложность полученных результатов. В конечном продукте постобработки
в предназначеных программах, мы получаем полную трехмерную модель. Для того,
чтобы облегчить анализ движений был разработан метод транслации
сфер [4, 5]. Максимальная получена ошибка этого метода это
2 мм. В отличие от этого, с помощью метода селективного исчезновения, подробно
описанной в работах авторов, мы сможем определить пространственные огибающие деформации.
Огибающая деформации экспортируется в
программы структурного анализа, и это
позваляет навязывать реальное представление
деформации объекта на
определенный модель деформации, полученнонный в ходе аналитических
расчетов, что позволяет получить комплексный инструмент для проверки
теоретических предположений с экспериментальными исследованиями.
Методы,
указанные в статье - сканирование и синхронную
фотограмметрию - можно использовать как конкурентное или поддержащие для
наиболее часто используемых методов измерения, например, в гражданском строительстве.
Особенное значение методов, отнесено к работам
связанным с испытанием на прочность, включая,
прием коммуникационных сооружений на этапе
завершения строителства и стресс-тестов.
Библиография:
[1] Janowski A., Nagrodzka-Godycka K., Szulwic J., Ziolkowski
P.: Modes of Failure Analysis in Reinforced Concrete Beam Using Laser Scanning
and Synchro-Photogrammetry (How to apply optical technologies in the diagnosis
of reinforced concrete elements?). Second International Conference on Advances
in Civil, Structural and Environmental Engineering – ACSEE 2014, Zurich,
Szwajcaria, ISBN 978-1-63248-030-9, 2014. DOI (RG):
10.13140/2.1.3044.2888
[2] Nagrodzka-Godycka
K., Piotrowski P.: Wpływ ukształtowania zbrojenia i sposobu
obciążenia na wsporniki belek w świetle badań
eksperymentalnych. Przegląd Budowlany, Vol.
77, 28-32, 2006.
[3] Nagrodzka-Godycka, K., Piotrkowski, P.: Experimental
study of dapped-end beams subjected to inclined load, ACI Structural Journal,
Vol. 109, 2012. DOI: 10.14359/51683489
[4] Nagrodzka-Godycka, K., Szulwic, J., Ziółkowski, P.: The
method of analysis of damage reinforced concrete beams using terrestial laser
scanning. 14th SGEM GeoConference on Informatics, Geoinformatics and Remote
Sensing, www.sgem.org, SGEM2014 Conference Proceedings, ISBN 978-619-7105-12-4
/ ISSN 1314-2704, 19-25 czerwca 2014, Vol. 3, s. 335-342. Albena, Bułgaria,
2014. DOI: 10.5593/SGEM2014/B23/S10.042
[5]
Ziółkowski P.: analiza możliwości oceny deformacji i
mechanizmów niszczenia zginanych belek żelbetowych z wykorzystaniem
naziemnego skaningu laserowego. Promotor: Krystyna Nagrodzka-Godycka, Jakub
Szulwic. Praca dyplomowa, Politechnika Gdańska, Wydział
Inżynierii Lądowej i Środowiska, 2014.
[6] Godycki-Ćwirko, T.: Crack morphology in concrete structures,
scientific study. No.13, s.149, Bialystok, Poland, 1992.
[7] Janowski A., Szulwic J.: Synchronic digital stereophotography and
photogrammetric analyses in monitoring the flow of liquids in open channels.
International Conference “Environmental Engineering” (9th ICEE), Selected
Papers, eISSN 2029-7092 / eISBN 978-609-457-640-9, Vilnius Gediminas Technical
University, Litwa, 2014. DOI: 10.3846/enviro.2014.079