НанокластернОе гетероструктурированное в физическом материаловедении

 

В.А.Дроздов*, В.В.Ковальчук**, М.АДроздов*, 

О.В.Осипенко**, В.И.Попович*, Т.Д.Попович*

 

*Одесский институт Сухопутных войск,

**Южно-украинский педагогический университет

 

Рассматриваются механизмы формирования, физическая природа и свойства кластеризованной микрофазы от субколлоидного  до наноразмерного формата в монофазе на субстратной основе и в объеме матричного материала. Особое внимание уделяется случаям, когда кластеры функционально модифицируют свойства базового материала, и в этом смысле можно определять подобные системы как принципиально новый тип гетерополупроводников - кластеризованные гетероструктуры.

Разнообразие кластерных микрофаз весьма обширно: различного рода сольваты и гидраты, высокодисперсные аэрозоли, центры скрытого фотографического изображения и фотохромной окраски, различные полиатомные ассоциаты и диффузные сегрегаты типа зон Гинье-Престона, активные центры катализа и островковые структуры, фрактальные нанофрагменты радиационно-иницированных треков в облучаемых материалах, фуллерены, целевые модифицирующие включения и глубокосубмикронные базовые фрагменты современной наноэлектроники [1-5].

Механизмы формирования нанокластеров (НК) в различных конкретных случаях могут быть весьма специфичными, с элементами синергетического гетерофлуктуационного зарождения и “пошагового’’ структурирования. Однако у них имеются и некие общие конструктивные особенности. Определяющее значение при этом имеет резко выраженная экстенсивность свойств кластерной фазы. В случае металлических и квазиметаллических кластеров размернозависимой оказывается энергия Ферми и, соответственно, электронные свойства отдельных кластеров и кластеризованных гетеростуктур [6]. Как следствие возникают даже особого рода силы взаимного заряжения [7], ответственные за селективно-размерную стабильность кластеров, их морфологические формы и, топологию пространственного распределения (растра) в массиве разноразмерных кластеров, что проявляется также в возможности технологического предопределения, к примеру, наперед заданных величин кластерных дипольных моментов, механических свойств и каталитической активности кластеризованных материалов [8-10].

На фоточувствительных типа pCu2S-НК-nSi КГС авторы выявили возможности создания жлементовоптической памяти, суперлинейных фотовентильных эдементов, спектрально-инверсируемых элементов и др.

В качестве примера рассмотрим принципы действия спектрально-инверсируемого фотоэлемента (СФЭ).

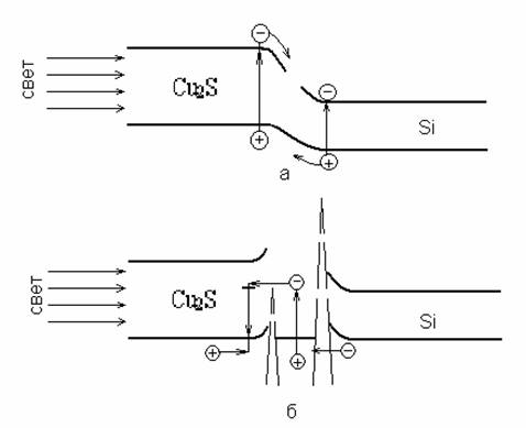
По своей сути механизм фотовентильного эффекта на кластерах, по-видимому, стоит ближе всего к схеме, которая в английской литературе получила название «feed in – feed out». Такое предположение вытекает из анализа околокластерной энергоситуации, которую можно определить с учётом конкретных условий в гетеропереходе следующим образом (рис. 1).

 

Рис. 1.

Зонные энергетические диаграммы некластеризованного (а) и кластеризованного (б) участков ГП

 

Фотовозбужденный электрон срывается с кластера вглубь пленки сернистой меди и улавливается сильно развитой в этом монополярном полупроводнике системой уровней прилипания для электронов. Одновременно с фотовозбуждением первого электрона в кластер туннелирует другой – из валентной зоны кремния и т.д.

Необходимое для туннелирования энергетическое сопряжение кластера с валентной зоной кремния обеспечивается характерным для мелких кластеров электронно-конформационным взаимодействием (ЭКВ). В силу специфической экстенсивности кластерных свойств энергосистема кластера оказывается весьма чувствительной к взаимодействию с электронами. Если моделировать кластер потенциальным ящиком, то ситуация реализуется следующим образом (рис. 2).

Рис. 2.

 Схема, поясняющая ЭКВ

 

Стоячая волна, моделирующая электрон, давит на стенки ящика с силой

.                                             (1)

Стенки ящика в данном состоянии неподвижны, будучи уравновешены внешними силами (кластер в матрице). Фотовозбуждение может изменить состояние электрона. Если квантовое число электрона n мгновенно возрастает до n׳=n+Δn, то увеличивается и сила, давящая на стенку. Равновесие нарушается, стенка перемещается и приходит к равновесию, сдвинувшись на расстояние ΔL=L′-L. Соответствующая работа равна

 

.                             (2)

Вслед за сдвигом стенки понижается электронная энергия. Таким образом, изменение электронного состояния кластера меняет его конформацию, электронная энергия частично превращается в конформационную. Именно понижение электронной энергии сопрягает энергосистему кластера с V-зоной кремния и электронными ловушками в сернистой меди. В результате инверсируется механизм фотовентильного эффекта в гетеропереходе – с типичного «р-n-переходного» на «ЭКВ-туннельный».

Один из авторов (В.К.) выражает благодарность проф.М.Ватанабе за предоставленные образцы К-Si [12].

 

 

Литература

1.           Пекар С.И. Исследования по электронной теории кристаллов. М.-Л.: ГИТТЛ, 1951. - 156 с.

2.           Лифшиц И.М., Гредескул С.А. Флуктуационные уровни и макроскопическая поляризация среды частицей с короткодействующими силами // ЖЭТФ. - 1969. - Т.57, вып.6(12). – С.2209-2221.

3.           Софранков А.Н., Короленко Л.Я., Дроздова В.В. Электрохимичексие свойства системы LixW2-xO6 // УФЖ. – 1994. - Т.60. – С.179-184.

4.           Дроздов В.А., Ковальчук В.В., Моисеев С.Л. Фрактальная размерность наночастиц // Физика аэродисперсных систем. - 2002. -  № 39. – C.55-67.

5.           Глауберман А.Е., Цаль Н.А. Об одной модели образования Х-центров в ЩГК // ФТТ. - 1968. -Т. 10. -  С. 935-939.

6.           Винокуров Д.А., Капитонов В.А., Коваленков О.В., Дифшиц Д.А., Соколова З.Н., Тарасов И.С., Алферов Ж.И.    Самоорганизующиеся  наноразмерные  кластеры  InP в матрице InGaP\GaAs и InAs в матрице  InGaAs\InP // ФТП. – 1999. - Т.33.,вып.7 – С.858-863.

7.           Григорьева Л.К., Нагаев Э.Л., Чижик С.П. Малые металлические частицы в физике и химии // Природа. – 1988 - № 6. – С.4-17.

8.           Мильвидский М.Г., Чалдышев В.В. Наноразмерные атомные кластеры в полупроводниках - новый подход к формированию свойств материалов // ФТП.-1998.-Т.32, № 5.–С.513-522.

9.           Дроздов M.А., Дроздов В.А., Ковальчук В.В. Нанометровые электронные приборы – перспективные версии // Технология и конструирование в электронной аппаратуре. - 2003, №1.- С.16-21

10.       Дроздов В.А., Ковальчук В.В. Електронні процеси в наноструктурах  с субфазим кремнієм // Журнал фізичних досліджень.- 2003.- т.7,№ 4.- С393-401

11.       Watanabe M.O., Kanayama T. Growth and transport of structure-controlled hydrogenated Si clusters for deposition on solid surface // Appl.Phys.A.–1998.-v.66. p.S1039-S1042.