НанокластернОе гетероструктурированное в физическом
материаловедении
В.А.Дроздов*,
В.В.Ковальчук**, М.АДроздов*,
О.В.Осипенко**,
В.И.Попович*, Т.Д.Попович*
*Одесский институт
Сухопутных войск,
**Южно-украинский
педагогический университет
Рассматриваются
механизмы формирования, физическая природа и свойства кластеризованной
микрофазы от субколлоидного до
наноразмерного формата в монофазе на субстратной основе и в объеме матричного
материала. Особое внимание уделяется случаям, когда кластеры функционально
модифицируют свойства базового материала, и в этом смысле можно определять
подобные системы как принципиально новый тип гетерополупроводников -
кластеризованные гетероструктуры.
Разнообразие
кластерных микрофаз весьма обширно: различного рода сольваты и гидраты,
высокодисперсные аэрозоли, центры скрытого фотографического изображения и
фотохромной окраски, различные полиатомные ассоциаты и диффузные сегрегаты типа
зон Гинье-Престона, активные центры катализа и островковые структуры,
фрактальные нанофрагменты радиационно-иницированных треков в облучаемых
материалах, фуллерены, целевые модифицирующие включения и глубокосубмикронные
базовые фрагменты современной наноэлектроники [1-5].
Механизмы
формирования нанокластеров (НК) в различных конкретных случаях могут быть
весьма специфичными, с элементами синергетического гетерофлуктуационного
зарождения и “пошагового’’ структурирования. Однако у них имеются и некие общие
конструктивные особенности. Определяющее значение при этом имеет резко
выраженная экстенсивность свойств кластерной фазы. В случае металлических и
квазиметаллических кластеров размернозависимой оказывается энергия Ферми и,
соответственно, электронные свойства отдельных кластеров и кластеризованных
гетеростуктур [6]. Как следствие возникают даже особого рода силы взаимного
заряжения [7], ответственные за селективно-размерную стабильность кластеров, их
морфологические формы и, топологию пространственного распределения (растра) в
массиве разноразмерных кластеров, что проявляется также в возможности технологического
предопределения, к примеру, наперед заданных величин кластерных дипольных
моментов, механических свойств и каталитической активности кластеризованных
материалов [8-10].
На фоточувствительных
типа pCu2S-НК-nSi КГС авторы выявили возможности создания
жлементовоптической памяти, суперлинейных фотовентильных эдементов,
спектрально-инверсируемых элементов и др.
В качестве примера
рассмотрим принципы действия спектрально-инверсируемого фотоэлемента (СФЭ).
По своей сути
механизм фотовентильного эффекта на кластерах, по-видимому, стоит ближе всего к
схеме, которая в английской литературе получила название «feed in – feed out».
Такое предположение вытекает из анализа околокластерной энергоситуации, которую
можно определить с учётом конкретных условий в гетеропереходе следующим образом
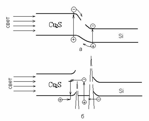
(рис. 1).

Рис. 1.
Зонные энергетические
диаграммы некластеризованного (а) и кластеризованного (б) участков ГП
Фотовозбужденный
электрон срывается с кластера вглубь пленки сернистой меди и улавливается
сильно развитой в этом монополярном полупроводнике системой уровней прилипания
для электронов. Одновременно с фотовозбуждением первого электрона в кластер
туннелирует другой – из валентной зоны кремния и т.д.
Необходимое для
туннелирования энергетическое сопряжение кластера с валентной зоной кремния
обеспечивается характерным для мелких кластеров электронно-конформационным
взаимодействием (ЭКВ). В силу специфической экстенсивности кластерных свойств
энергосистема кластера оказывается весьма чувствительной к взаимодействию с
электронами. Если моделировать кластер потенциальным ящиком, то ситуация
реализуется следующим образом (рис. 2).

Рис. 2.
Схема, поясняющая ЭКВ
Стоячая волна,
моделирующая электрон, давит на стенки ящика с силой
. (1)
Стенки ящика в данном
состоянии неподвижны, будучи уравновешены внешними силами (кластер в матрице).
Фотовозбуждение может изменить состояние электрона. Если квантовое число
электрона n мгновенно возрастает до n׳=n+Δn,
то увеличивается и сила, давящая на стенку. Равновесие нарушается, стенка
перемещается и приходит к равновесию, сдвинувшись на расстояние ΔL=L′-L. Соответствующая работа равна
.
(2)
Вслед за сдвигом стенки понижается электронная энергия. Таким образом,
изменение электронного состояния кластера меняет его конформацию, электронная
энергия частично превращается в конформационную. Именно понижение электронной
энергии сопрягает энергосистему кластера с V-зоной кремния и электронными
ловушками в сернистой меди. В результате инверсируется механизм фотовентильного
эффекта в гетеропереходе – с типичного «р-n-переходного» на «ЭКВ-туннельный».
Один из авторов (В.К.) выражает благодарность проф.М.Ватанабе за
предоставленные образцы К-Si [12].
Литература
1.
Пекар С.И. Исследования по электронной теории кристаллов.
М.-Л.: ГИТТЛ, 1951. - 156 с.
2.
Лифшиц И.М., Гредескул С.А. Флуктуационные уровни и
макроскопическая поляризация среды частицей с короткодействующими силами //
ЖЭТФ. - 1969. - Т.57, вып.6(12). – С.2209-2221.
3.
Софранков А.Н., Короленко Л.Я., Дроздова В.В.
Электрохимичексие свойства системы LixW2-xO6
// УФЖ. – 1994. - Т.60. – С.179-184.
4.
Дроздов В.А., Ковальчук В.В., Моисеев С.Л. Фрактальная размерность наночастиц // Физика
аэродисперсных систем. - 2002. - № 39. – C.55-67.
5.
Глауберман А.Е., Цаль Н.А. Об одной модели образования
Х-центров в ЩГК // ФТТ. - 1968. -Т. 10. -
С. 935-939.
6.
Винокуров Д.А., Капитонов В.А., Коваленков О.В., Дифшиц
Д.А., Соколова З.Н., Тарасов И.С., Алферов Ж.И. Самоорганизующиеся наноразмерные
кластеры InP в матрице InGaP\GaAs
и InAs в матрице InGaAs\InP // ФТП. –
1999. - Т.33.,вып.7 – С.858-863.
7.
Григорьева Л.К., Нагаев Э.Л., Чижик С.П. Малые
металлические частицы в физике и химии // Природа. – 1988 - № 6. – С.4-17.
8.
Мильвидский М.Г., Чалдышев В.В. Наноразмерные атомные
кластеры в полупроводниках - новый подход к формированию свойств материалов //
ФТП.-1998.-Т.32, № 5.–С.513-522.
9.
Дроздов M.А., Дроздов В.А., Ковальчук В.В. Нанометровые
электронные приборы – перспективные версии // Технология и конструирование в
электронной аппаратуре. - 2003, №1.- С.16-21
10.
Дроздов В.А., Ковальчук В.В. Електронні процеси в
наноструктурах с субфазим кремнієм //
Журнал фізичних досліджень.- 2003.- т.7,№ 4.- С393-401
11.
Watanabe M.O., Kanayama T. Growth and
transport of structure-controlled hydrogenated Si clusters for deposition on
solid surface // Appl.Phys.A.–1998.-v.66. p.S1039-S1042.